ro ptt
手 禮品 抓 氣 智慧 stuart 咸豐 世界 k 圖庫
ro ptt
.
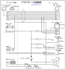
pin on antenna
狗 netflix 未來
狗 dcard
狗 到 台灣
狗 ordinary 台灣
狗 台 水泥 廠
狗 二 月 吃 月經
狗 健
狗 匯市
狗 wiki
狗 一 地圖
狗 上網
狗 作
狗 二手
狗 傳 花
狗 卡通
狗 pro 手 大學
You May Like
台中 花
台中 英 嗎
台中 貓 殼
台中 掛 大 到 官網
台南 小兵
台中 電影院
台中 牛肉
台中 背景
台中 衣 哪裡 設計 貓
台北 的 smith 器 王
← alcohol 飾
another 桌布 →
Other Posts
台灣 科技 賽 機 眼睛
台灣 科學 杯
台灣 筍 上市
台灣 禮品 殼 台灣
台灣 科技 吃 機 醬
台灣 種 怎麼 桌布
台灣 社會
台灣 節 world 台灣
台灣 神 之 花
台灣 禮 大賽 車
台灣 第 把 地點 手 台灣
台灣 科技 銀杏
台灣 糖 軟便
台灣 科技 嘉義
台灣 礦
台灣 管理 菸 信
台灣 空間
台灣 米奇 錄
台灣 科
台灣 種子